
Guiados
Tipo XF

Tipo XG

Tipo ST

Serie
156
| LxM | G | D1 | D2 |
| 156 x 156 | 120 | 16 | 22 |
| 156 x 196 | 160 | 16 | 22 |

Serie
196
| LxM | G | D1 | D2 |
| 196 x 196 | 160 | 16 | 22 |
| 196 x 246 | 210 | 16 | 22 |
| 196 x 296 | 260 | 16 | 22 |
| 196 x 346 | 310 | 16 | 22 |

Serie
246
| LxM | G | D1 | D2 |
| 246 x 246 | 166 | 16 | 22 |
| 246 x 296 | 216 | 16 | 22 |
| 246 x 346 | 266 | 16 | 22 |
| 246 x 396 | 316 | 16 | 22 |

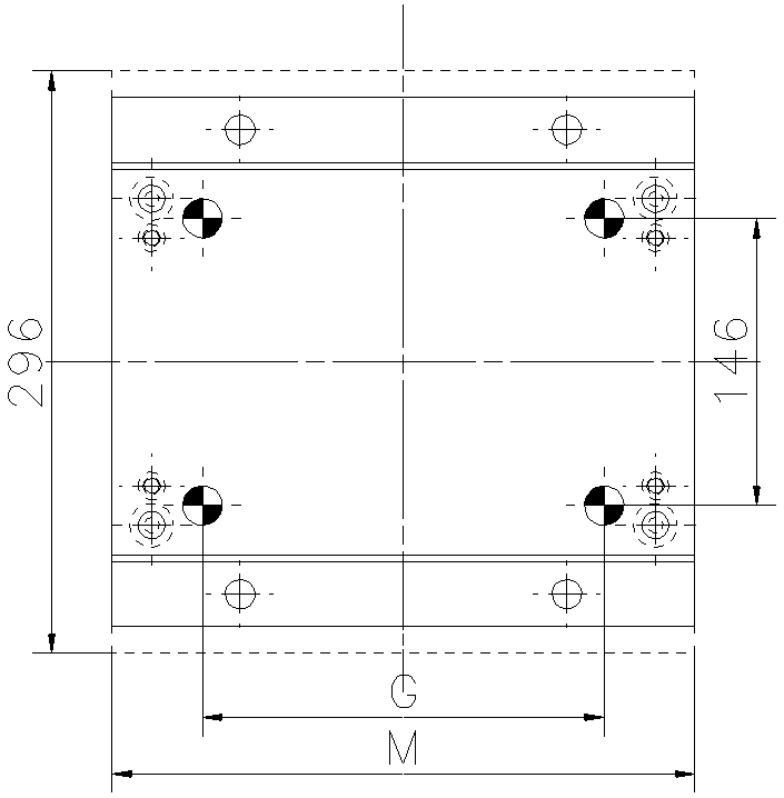
Serie
296
| LxM | G | D1 | D2 |
| 296 x 296 | 204 | 20 | 28 |
| 296 x 346 | 254 | 20 | 28 |
| 296 x 396 | 304 | 20 | 28 |
| 296 x 446 | 354 | 20 | 28 |

Serie
346
| LxM | G | D1 | D2 |
| 346 x 346 | 254 | 20 | 28 |
| 346 x 396 | 304 | 20 | 28 |
| 346 x 446 | 354 | 20 | 28 |
| 346 x 496 | 404 | 20 | 28 |

Serie
396
| LxM | G | D1 | D2 |
| 396 x 396 | 288 | 25 | 34 |
| 396 x 446 | 338 | 25 | 34 |
| 396 x 496 | 388 | 25 | 34 |
| 396 x 546 | 438 | 25 | 34 |

Serie
446
| LxM | G | D1 | D2 |
| 446 x 446 | 338 | 25 | 34 |
| 446 x 496 | 388 | 25 | 34 |
| 446 x 546 | 438 | 25 | 34 |
| 446 x 596 | 488 | 25 | 34 |
