
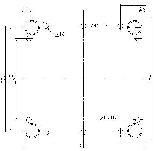
Serie 396
Dimensiones




Los portamoldes standard de esta serie incluyen tornillos de M 16, topes, retractores de Ø 16, bujes y columnas
PS
Placa superior de fijación
| L | S |
| 26 | |
| 396 | · |
| 446 | · |
| 496 | · |
| 546 | · |
PS-EP
Placa superior de fijación encolumnada
| L | S |
| 26 | |
| 396 | · |
| 446 | · |
| 496 | · |
| 546 | · |
Se utiliza con ECO-1S y EBU-1S
PSX
Placa superior de fijación porta cavidades
| L | S | |||||
| 46 | 56 | 66 | 76 | 96 | 106 | |
| 396 | · | · | · | · | · | · |
| 446 | · | · | · | · | · | · |
| 496 | · | · | · | · | · | · |
| 546 | · | · | · | · | · | · |
PSXE
Placa superior de fijación porta cavidades, Molde de dos placas
| L | S | ||||
| 56 | 66 | 76 | 96 | 106 | |
| 396 | · | · | · | · | · |
| 446 | · | · | · | · | · |
| 496 | · | · | · | · | · |
| 546 | · | · | · | · | · |
PM
Placa móvil
| L | S | ||||||
| 36 | 46 | 56 | 66 | 76 | 96 | 106 | |
| 396 | · | · | · | · | · | · | · |
| 446 | · | · | · | · | · | · | · |
| 496 | · | · | · | · | · | · | · |
| 546 | · | · | · | · | · | · | · |
PI
Placa inferior porta cavidades
| L | S | |||||
| 46 | 56 | 66 | 76 | 96 | 106 | |
| 396 | · | · | · | · | · | · |
| 446 | · | · | · | · | · | · |
| 496 | · | · | · | · | · | · |
| 546 | · | · | · | · | · | · |
PX
Placa soporte o sufridera
| L | S |
| 46 | |
| 396 | · |
| 446 | · |
| 496 | · |
| 546 | · |
PXE
Placa soporte o sufridera encolumnada
| L | S |
| 46 | |
| 396 | · |
| 446 | · |
| 496 | · |
| 546 | · |
Se utiliza con ECO-1S y EBU-1S
P
Paralelas
| L | S | ||
| 77 | 97 | 117 | |
| 396 | · | · | · |
| 446 | · | · | · |
| 496 | · | · | · |
| 546 | · | · | · |
PE
Placas expulsoras
| L | S |
| 22/16 | |
| 396 | · |
| 446 | · |
| 496 | · |
| 546 | · |
PF
Placa inferior de fijación
| L | S |
| 26 | |
| 396 | · |
| 446 | · |
| 496 | · |
| 546 | · |
Columna
ECO-1
| L | |||||||||||||||
| D1 | D2 | D3 | K | L1 | 90 | 100 | 120 | 140 | 160 | 180 | 200 | 220 | 240 | 260 | 280 |
| 36 | · | ||||||||||||||
| 46 | · | · | · | · | · | ||||||||||
| 56 | · | · | · | · | · | · | · | · | · | ||||||
| 66 | · | · | · | · | · | · | · | · | · | ||||||
| 32 | 40 | 45 | 7 | 76 | · | · | · | · | · | · | · | · | |||
| 86 | · | · | · | · | · | · | · | ||||||||
| 96 | · | · | · | · | · | · | · | ||||||||
| 106 | · | · | · | · | · | · | · | ||||||||
| 116 | · | · | · | · | · | · | · | ||||||||
Buje
EBU-1
| L | |||||||||||
| D1 | D2 | D3 | K | 36 | 46 | 56 | 66 | 76 | 96 | 106 | 116 |
| 32 | 40 | 45 | 7 | · | · | · | · | · | · | · | · |